HomeForumsWhat's newResources 
 
 
DIY Taisen Cable3D print
tzmwx - May 23, 2021
   tzmwx May 23, 2021 
3D print & Networking Cables

The 3D model is designed with 11 holes and can be used for dual machine battle games taisen cableor MIDI music.
In order to reduce workload, after testing, the 5-wire solution is suitable for 7 (such as 10 for different regions) dual machine battle games; The 3-wire solution is suitable for 5 dual machine battle games;
If other functions are required, please add wires by yourself.

20251005 UPDATE ,5 WIRES:

Compatible games

[ Game Name (How to Use Link Battle) ]

Japan

Europe

North America

  • Hexen... (accessed through debug menu, very buggy)








OLD:
3 WIRES

Compatible games

Japan










DIY:


   Mr^Burns May 23, 2021 
Great work!

   Waterfuell May 23, 2021 

  tzmwx said:

A great and cheap idea

   fafling Oct 4, 2025 
This is not a complete taisen link cable. It only enables asynchronous serial communication between the slave SH2 processors, not between the master SH2 processors, because it only links the STXD and SRXD pins of the serial connector. And any software attempting synchronous communication would not work with that cable either since not clock pins are linked.

Which is why this DIY cable cannot work with Doom for multiplayer link game contrary to what is written in OP, since Doom uses the master SH2 processor serial interface for asynchronous serial communication between consoles. Doom multiplayer link game works with the official HSS-107 taisen cable (the original release and the fix patch... behave the same in that regard).

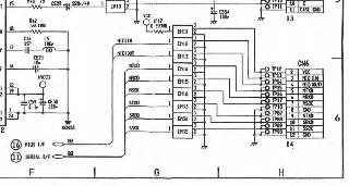
A full diagram of the official taisen link cable was drawn by @kitchen34... and given here... :


And a compilation of infos about the taisen cable including the picture of the serial connector with the pin numbers can be found here... :


This serial connector picture follows the numbering of the Saturn service manual schematics, which differs from the numbering used in OP :

So what the OP calls pins 1, 3 and 4 are in fact pins 12 (GND), 10 (SRXD) and 9 (STXD).

   Knight0fDragon Oct 4, 2025 
Should work with my setup. Time I move it out of the contest forum

   tzmwx Oct 5, 2025 

  fafling said:



Thanks
update

   fafling Oct 5, 2025 
Still not a complete taisen cable... Are wires so expensive ?

   tzmwx Oct 5, 2025 

  fafling said:

1.The solution of 5 wires has been tested and is compatible with all games;

2.During the self-made process, wires are very cheap, but installation is very complicated, reducing the amount of wires used makes it easier to make;

3.The design of the 3D printed part is 11 holes, which can be added if necessary, including MIDI function